1、絲桿前后往復運動;
2、最大推力200N;
3、簡化結構設計,降低結構成本;
4、機身長度、絲桿長度、導程可根據客戶要求定制;
5、應用于醫療設備、半導體設備、閥門控制、X-Y工作臺、手持式儀器或任何需要精確直線運動的地方。
15817488109
命名規則:
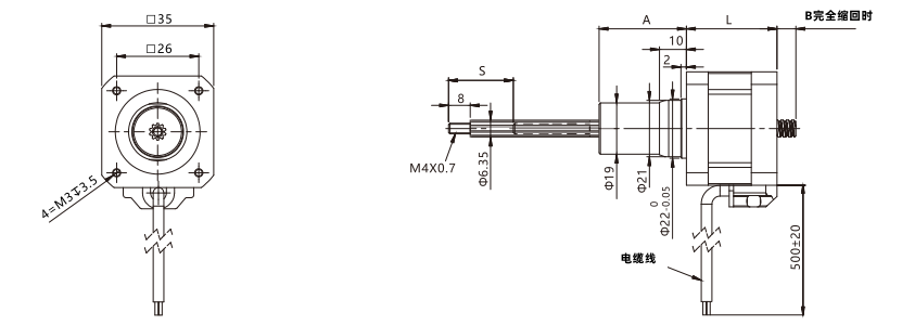
14C4715F1-X-□□□
規格 | 說明 |
14 | 電機外徑:35mm |
C | 電機類型:固定軸式 |
47 | 機身長度:34mm |
15 | 額定電流:1.5A |
F1 | 絲桿代碼 |
□ | 配件代碼:E1(1000線編碼器)、E2(2000線編碼器)、 B(剎車)、C(一體式) |
□ | 絲桿長度:□mm |
□□□ | 絲桿端部加工定制表:G光軸、A一字槽、M內螺紋 |
電機參數:
產品型號 | 電壓 | 額定 電流 | 保持 力矩 | 機身長 | 推薦 驅動器 |
14C3410F1-X-□□□ | 1.4V | 1.5A | 0.14N.m | 34mm | 脈沖型S-224D |
14C4715F1-X-□□□ | 2.9V | 1.5A | 0.35N.m | 47mm |
漢德保電機可根據客戶要求定制:繞線參數、出線方式。
漢德保其他類型驅動器有:功能型(開關型、模擬量型)、總線型(RS485、CANopen、EtherCAT等)
絲桿參數:
產品型號 | 絲桿直徑 | 導程(mm) | 步長1.8°(mm) | 斷電自鎖力(N) |
F3 | 6.35mm | 1.27 | 0.00635 | 150 |
F6 | 2.54 | 0.0127 | 40 | |
F10 | 6.35 | 0.03175 | 15 | |
F12 | 12.7 | 0.0635 | 3 | |
F13 | 25.4 | 0.127 | 0 |
請注意:其他絲桿直徑、導程可根據客戶要求定制。絲桿端頭可根據客戶要求加工。電機可選配剎車和編碼器。絲桿長度可定制。
行程參數:
行程S(mm) | 尺寸A(mm) | 尺寸B(mm) | |
L-34 | L-42 | ||
12.7 | 20.6 | 8.4 | 0 |
19.1 | 27 | 14.8 | 0.8 |
25.4 | 33.3 | 21.1 | 7.1 |
31.8 | 39.7 | 27.5 | 13.5 |
38.1 | 46 | 33.8 | 19.8 |
50.8 | 58.7 | 46.5 | 32.5 |
63.5 | 71.4 | 59.2 | 45.2 |

安裝方法:
1、請盡量考慮散熱線、防止振動的問題,將電機牢牢地固定在強韌的金屬面上。
2、務必用電機前端蓋的安裝凸臺定位,并注意公差配合,嚴格保證電機輸出軸與負載的同心度。

以上曲線是用S-224D雙極性恒流斬波步進驅動器,在24VDC條件下進行測試的。不同測試條件與運行工況將導致性能有所差異,合理的加減速將有助于提高電機性能,此處僅作參考,為確保使用壽命和可靠性,建議選用產品時留有50%以上余量。
上一款產品:35mm貫穿式直線絲桿步進電機
下一款產品:42mm外部驅動式直線絲桿步進電機