步進電機不是恒轉矩電機,運行轉速越高輸出轉矩會越小,所以關注電機保持轉矩參數的同時更應當關注在實際,工作轉速下電機的輸出轉矩(可參考動態力矩曲線圖);并且我們建議預留1.5倍的余量,以免出現過載情況下步進電機丟步的現象。
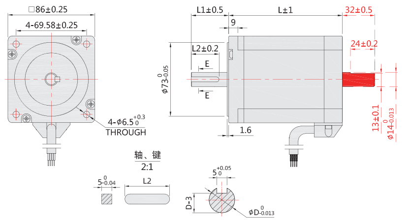
型號 | 保持力矩 (N.m) | 額定電流 (A) | 轉動慣量 (g.cm2) | 機身長 (mm) | 推薦驅動器 |
SMC3402-[2] | 4.0 | 2.0 | 2400 | ≤97.0 | CSH-2242R 110~245VAC |
SMC3403-[2] | 6.0 | 3.0 | 3480 | ≤125.0 | |
SMC3404-[2] | 8.5 | 3.2 | 4560 | ≤145.0 |
1、型號中的[2]:2為雙出軸;單出軸省略。
2、以上列表的“推薦驅動器”為脈沖型步進電機驅動器,還可以為客戶提供:總線型步進驅動器(RS485、CANopen、EtherCAT等通訊控制);智能型步進驅動器(電位器調速、內置PLC編程等功能)。




上一款產品:57mm三相開環步進電機
下一款產品:110mm三相開環步進電機